Shelly
[Shelly Dimmer Gen3]

A universal smart dimmer for lights powered directly from the mains (110--240 V AC).
Key Features
-
Works with 110--240 V AC mains power.
-
Compatible with halogen and incandescent bulbs, as well as dimmable LED bulbs.
-
Can operate with or without a neutral wire.
-
Single output channel.
-
Maximum loads:
-
With neutral: up to 200 W
-
Without neutral: up to 20 W (requires Shelly Bypass for stable operation)
-
-
Built-in power metering (PM).
-
Does not require an external driver.
Supported Light Types
-
Dimmable LED bulbs: up to 150 W total
-
Incandescent bulbs: up to 200 W total
-
Halogen lamps: up to 200 W total
Important Notes
-
Without neutral installation requires a Shelly Bypass to prevent flickering or misbehavior.
-
External switches (push buttons, toggle switches) can be wired to allow on/off control and dimming adjustments.
-
Non-dimmable bulbs will flicker or behave unpredictably if dimming is applied → only use dimmable lamps.
-
If controlling multiple bulbs on the same output, they must be of the same type and rating.
-
Typical consumption ranges:
-
Incandescent bulbs: \~40--100 W each
-
LED bulbs: \~5--20 W each
-
-
After installation, run the calibration process to optimize dimming performance and avoid flicker.

[Shelly Dimmer 2]
Shelly Dimmer2 is a discontinued product and is replaced by Shelly dimmer Gen 3
[Shelly Plus RGBW PM]

A smart LED controller that works on 12V or 24V DC (requires an external LED driver / power supply). It provides PWM dimming on 4 channels, making it suitable for both RGB/RGBW and single-color LED strips.
Key Features
-
Works with 12V or 24V DC input (requires a driver / power supply).
-
4 independent PWM channels for dimming control.
-
Configurable modes:
-
1 × RGBW LED strip (all 4 channels combined)
-
1 × RGB LED strip (3 channels used)
-
4 × single-color LED strips (each channel works independently)
-
-
Built-in power metering (PM) for monitoring energy usage.
-
Max current: 4A per channel (shared ground).
Important Notes
-
You must use a DC LED driver / power supply capable of providing 12V or 24V and enough current for all strips combined.
-
Parallel wiring is used for LED strips → each strip gets the same voltage from the power supply.
-
Do not exceed 4A per channel (e.g., at 12V: 4A × 12V = 48W per channel; at 24V: 4A × 24V = 96W per channel).
-
For multi-channel use (RGBW), total current = sum of all active channels.
-
Proper ventilation is recommended for higher loads.
Practical Example:
RGBW LED Strip Wiring (4 Channels)
Power Supply (+12V/24V)
Shelly RGBW PM
+V ────────────> LED Strip +V
R ────────────> LED Red
G ────────────> LED Green
B ────────────> LED Blue
W ────────────> LED White
Single-Color Strips (Independent Channels)
Power Supply (+12V/24V)
Shelly RGBW PM
+V ────────────> All strips +V
CH1 ────────────> Strip 1 --
CH2 ────────────> Strip 2 --
CH3 ────────────> Strip 3 --
CH4 ────────────> Strip 4 --
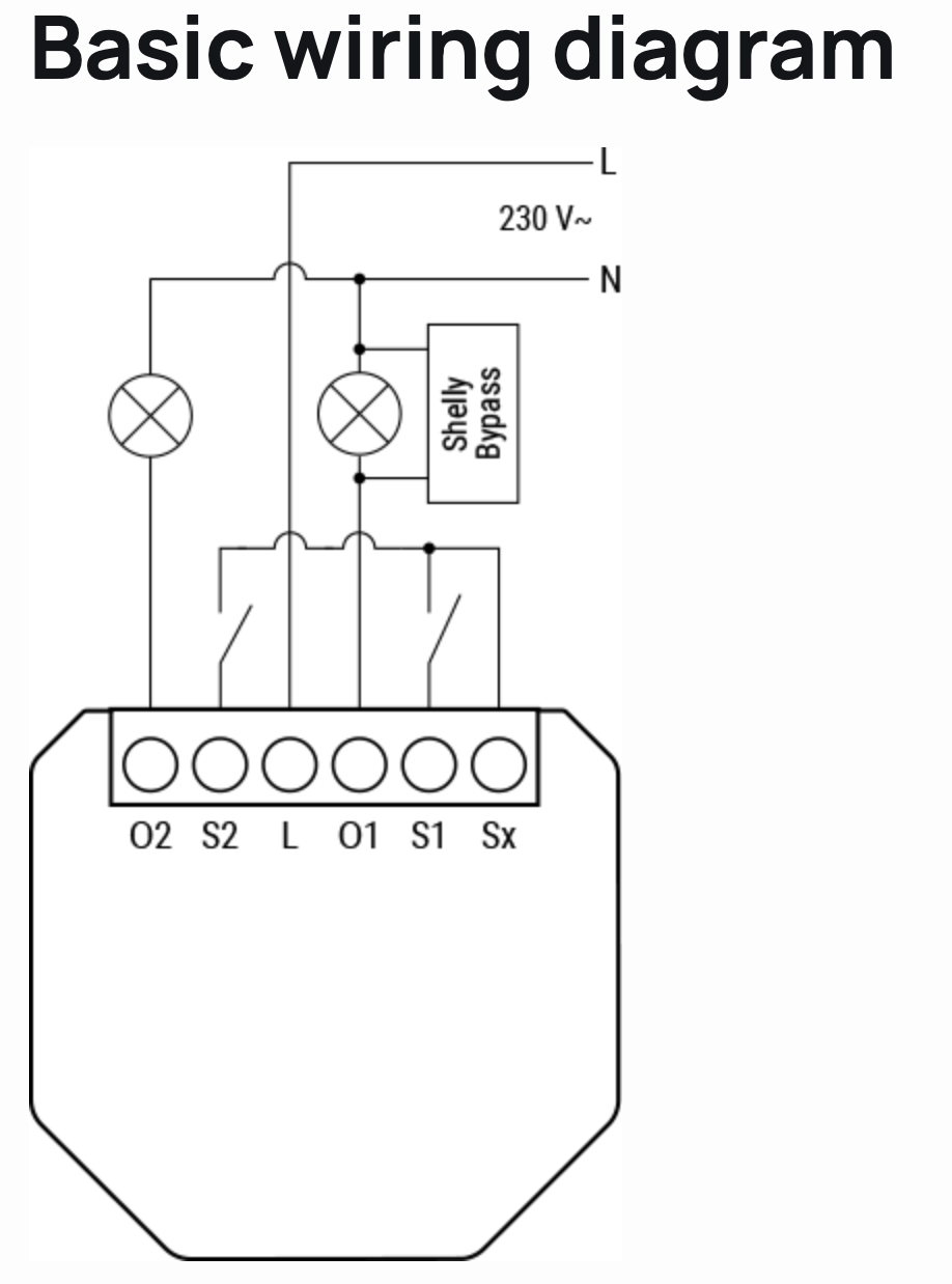
[Shelly Dimmer 0/1-10V PM Gen3]

A smart dimmer/controller that takes 110--240V AC as input and outputs a low-voltage 0--10V DC control signal.\ It doesn't drive LED strips directly but instead controls a separate 0--10V dimmable LED driver.
Key Features
-
Input: 110--240V AC.
-
Output: Low-voltage 0--10V DC dimming signal.
-
Requires a compatible 0--10V dimmable LED driver.
-
Number of LEDs supported depends entirely on the external driver capacity (not Shelly itself).
-
Built-in relay to cut power to the driver completely.
-
Built-in power metering (PM) for connected load monitoring.
How It Works
-
The Shelly sends a 0--10V dimming signal (PWM/analog).
-
The external dimmable driver interprets this signal and adjusts the brightness of the connected LEDs.
-
Example:
-
0V → lights off
-
10V → lights full brightness
-
Any value in between = proportional dimming
-
Important Notes
-
Unlike the Shelly Dimmer Gen3, this model does not directly power the LEDs.
-
You must pair it with a 0--10V dimmable driver designed for your lights (LED strips, panels, downlights, etc.).
-
The maximum number of LEDs depends on the driver's wattage capacity, not on the Shelly.
-
Internal relay allows full power cut to the driver.

[RELAYS:]
[Shelly 1 Gen4]


The Shelly 1 Gen4 is a compact Wi-Fi relay switch designed to smart-enable traditional electrical circuits. It allows remote control and automation of lights, appliances, and other devices, while also supporting direct integration with existing wall switches.\ Unlike the 1PM model, it does not include power metering but offers flexibility by working with or without neutral.
Key Features
-
Power Input: 110--240V AC, or 24--48V DC.
-
Relay Output: 1 channel (up to 16A).
-
Neutral Wire: Optional → supports both with neutral and no-neutral wiring.
-
Size: Compact enough to fit behind most wall switches or inside junction boxes.
-
Connectivity: Wi-Fi (no hub required), plus REST API
-
Isolation: Dry-contact relay → can be used for both AC and DC circuits.
Important Notes:
-
Does not provide energy monitoring → only ON/OFF control.
-
Requires correct wiring (max 16A, ensure load matches spec).
-
Works with momentary (push button) and toggle switches.
-
In No-Neutral setups, load compatibility is important: some low-wattage LED bulbs may flicker unless a Shelly Bypass is used.
Practical Use Cases⚓︎
-
Lighting:
-
Smart control of single light circuits.
-
Works with or without neutral → good for older installations.
-
-
Appliances:
-
Smart control of outlets (coffee machine, lamps, fans, etc.).
-
Works with 110--240V AC or 24--48V DC loads.
-
-
Garage/Gate Control:
- Dry-contact relay makes it suitable for gate openers or garage doors.
Wiring Options:⚓︎
With Neutral (recommended)⚓︎
-
Connect L & N to Shelly input.
-
Output (O) goes to the load's live wire.
-
Stable, no flicker, handles full load (16A).
Without Neutral⚓︎
-
Only live wire connected.
-
Shelly powers itself by drawing small current through the load.
-
Useful when neutral is not present in the switch box.
-
May require Shelly Bypass with low-power LED bulbs.
[Shelly 1PM Gen4]

Same as Shelly 1 Gen4 but includes power metering (PM) for connected load monitoring.
Only support with Neutral connections.
[Shelly 2PM Gen4]


The Shelly 2PM Gen4 is a dual-channel Wi-Fi relay switch with power monitoring. It allows two independent circuits to be switched and measured, making it ideal for multi-gang lights, dual appliances, or roller shutters. It also includes energy monitoring and supports automation
Key Features⚓︎
-
Dual Relay Outputs: 2 independent channels, each up to 10A / 220--240V AC.
-
Power Monitoring (PM): Real-time current, voltage, power, and energy monitoring for each channel.
-
Total Load: Up to 2,300 W per channel.
-
Neutral Required: Yes, for proper operation and metering.
-
Switch Support: Works with momentary, toggle, and standard wall switches.
-
Connectivity: Wi-Fi (2.4 GHz), REST API.
-
Safety: Overcurrent and overtemperature protection.
Shelly 2PM Gen4 Shelly 2PM Gen4
Relay 1 Output ───> Load 1 (Light/Appliance)
Relay 2 Output ───> Load 2 (Light/Appliance)
Neutral ──────────> Shared N (both loads)
[Shelly 1 Mini Gen4]



The Shelly 1 Mini Gen4 is the ultra-compact version of the Shelly 1 Gen4 relay. It maintains the core functionality of switching electrical loads while being 40% smaller, making it highly suitable for tight installation spaces such as wall boxes, behind sockets, or inside devices.
Despite its size, it delivers the same core automation capabilities with LAN + Wi-Fi connectivity, integration with local and cloud ecosystems, and a flexible input/output design.
Key Features⚓︎
-
Compact Size: \~40% smaller than Shelly 1 Gen4, perfect for retrofits and wall box installations.
-
Relay Output: Supports up to 8A / 240V AC (≈ 2 kW), ideal for lights, sockets, and appliances.
-
Multiple Input Options: Supports momentary, toggle, and push-button switches.
-
Connectivity:
-
Wi-Fi (2.4 GHz)
-
LAN (Ethernet, via Shelly LAN-enabled adapter)
-
No hub required
-
-
Safety: Over-temperature protection and enhanced PCB design.
Technical Specs⚓︎
-
Power Supply: 110--240V AC ±10%, 50/60Hz.
-
Max Load: 8A @ 240V AC.
-
Power Consumption (device itself): \< 1W.
-
Dimensions: \~29 × 35 × 16 mm (super compact).
-
Operating Temperature: -20°C to +40°C.
-
Connectivity: Wi-Fi 802.11 b/g/n (2.4 GHz).
Pros⚓︎
-
Very compact – fits where Shelly 1 Gen4 might not.
-
Same functionality as Shelly 1 Gen4.
Cons⚓︎
-
Lower load rating compared to Shelly 1PM Gen4 (8A vs. 16A).
-
No built-in power metering (unlike PM models).
-
No dry contacts option (works as a standard relay).
-
For high-power appliances, Shelly 1PM Gen4 or Shelly Plus 2PM is better.
[Shelly 1PM Mini Gen4]


Same as Shelly 1 Mini Gen4 but includes power metering (PM) for connected load monitoring.
[Shelly 2L Gen3]


The Shelly 2L Gen3 is a dual-channel Wi-Fi relay designed primarily for controlling two separate AC loads (lights or appliances) independently. Unlike the 2PM models, it does not include power monitoring, but it is ultra-compact and supports both with or without neutral wiring, making it ideal for retrofit installations .
It is optimized for smart lighting control, supporting two independent circuits with local switches, schedules, automation, and cloud integration.
Key Features⚓︎
-
Dual Relay Outputs: 2 independent channels (L1, L2).
-
Max Load: Up to 10A per channel (≈ 2,300 W).
-
Input: 110--240V AC.
-
Neutral: Optional → works with neutral or without neutral.
-
Switch Support: Momentary, toggle, or standard switches.
-
Connectivity: Wi-Fi (2.4 GHz), REST API.
-
Safety: Overtemperature protection; short-circuit protection built-in.
Important Notes⚓︎
-
No power metering → cannot track energy consumption (use 2PM for that).
-
Can control two separate circuits independently, including lights, fans, or appliances.
-
In no-neutral mode, low-power LED loads may require Shelly Bypass to avoid flickering.